
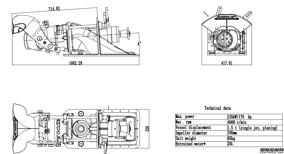
CAV-185型噴水推進器的主要技術參數(Main Data):
型號(Model):CAV-185
排水量(Vessel Displacement):1.5T
尺寸(Dimension):1060*326*322(mm)
控制方式(Control Mode):機械/電子操控(Mechanical/Electronic Control)
功率(Power Range):80-170hp
安裝方式(Installation Method):模塊化安裝(Modular Installation)
重量(Weight):65kg
材質(Material):鋁合金(Aluminum Alloy)/不銹鋼(Stainless Steel)